在 BLDC 电机控制应用中,MCU 需要在控制资源、模拟链路、保护机制及系统可靠性之间综合考量。灵芯微全新推出的 LX32M70XX 系列为面向 BLDC 电机控制场景的专用型 32位 MCU 产品,采用 ARM Cortex-M0+ 32位内核,主频最高 72MHz,内置 32KB Flash 与 4KB SRAM,并集成 12位高速 ADC、DAC、CMP、PGA、高级定时器以及多种通信接口。针对 BLDC 控制系统中对 PWM 调制、模拟采样、实时保护及外围扩展的实际需求,提供了一套完整可靠的片上资源配置。
Part.1 产品定位
1.1 面向 BLDC 控制的资源配置
BLDC 电机控制系统对于主控器件的要求,通常集中在以下几个方面:
是否具备适用于三相驱动的 PWM 输出能力 是否具备完整的电流、电压及反电动势采样链路 是否支持快速、可靠的硬件保护机制 是否具备满足量产需求的接口与系统稳定性基础
LX32M70XX 的资源构成与功能配置,能够充分应对上述应用需求。

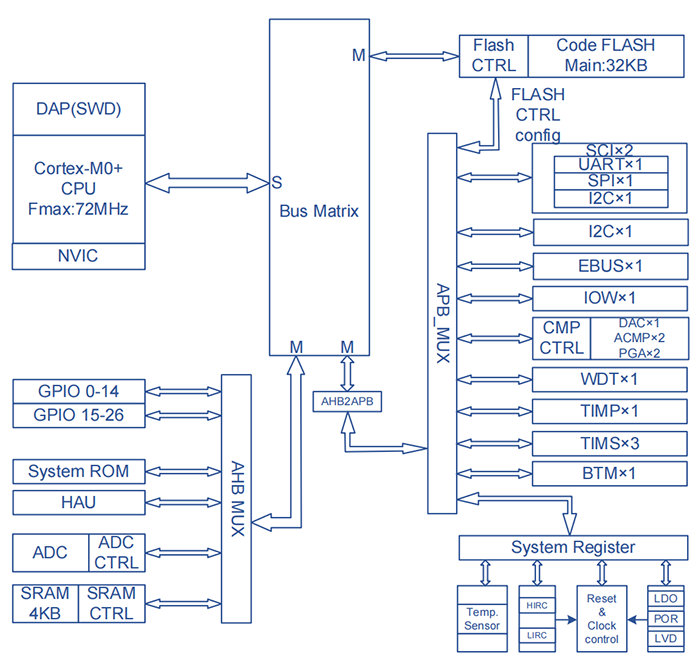
LX32M70XX功框图
芯片采用 ARM Cortex-M0+ 32位内核,最高主频 72MHz,工作电压范围覆盖 2.4V ~ 5.5V,可适配工业控制与家电驱动类产品中较常见的供电环境。同时,芯片内部集成定时器、模拟前端、保护模块及通信接口,使其除具备通用控制能力外,在 BLDC 控制导向的应用场景中具有更高的资源匹配度。
1.2 典型应用方向
LX32M70XX应用范围广泛,可应用于:
BLDC 电机驱动 工业执行机构控制 家电风机与泵类驱动 控制板及应用控制模块
对于兼顾控制性能、外围简化与系统成本的 BLDC 应用场景,上述集成化资源配置能提供完善的解决方案。
Part.2 BLDC 控制关键资源解析
2.1 高级定时器资源适配三相驱动
LX32M70XX 内置 1个16位高级定时器 TIMP,支持 3对带死区的互补输出,并具备刹车等功能;同时提供 3个16位简单定时器 TIMS,支持输入捕获、PWM 输出等控制需求。
基于上述配置,LX32M70XX 可用于承担以下典型控制任务:
三相 PWM 波形输出 互补驱动控制与死区插入 转速脉冲及外部事件捕获 保护事件联动关断
对于 BLDC 驱动系统而言,高级定时器、互补 PWM 输出及死区控制能力 是实现稳定驱动的重要基础。
2.2 模拟采样链路配置
LX32M70XX 集成 1个12位 SAR ADC,最高支持 1.24Msps 采样率,支持 11个外部通道 + 5个内部通道,并具备以下特性:
支持单端/差分采样 支持 12-bit / 10-bit / 8-bit 分辨率 支持 8 个独立配置的转换单元 支持软件触发与硬件事件触发 支持突发连续转换模式 支持转换完成事件、后处理事件与预中断
在 BLDC 应用中,上述资源可用于相电流、母线电压、温度及其他关键模拟量的采集,为启动控制、换相判断、运行监测及异常保护提供必要的数据基础。
2.3 片内 CMP 与 PGA 强化前端处理能力
LX32M70XX 内部还集成有:
2 个轨到轨模拟比较器 CMP 2 个可编程增益放大器 PGA 1 个 10 位 DAC
其中,PGA 增益支持 2 / 4 / 8 / 16 倍,可用于对小信号采样链路进行前端放大;比较器可用于门限判断与过流类快速响应;DAC 可作为参考电压源参与模拟控制链路。
Part.3 面向 BLDC 的系统保护与可靠性
3.1 硬件保护机制适配驱动场景
LX32M70XX 提供完整的系统保护机制,包括:
上电复位 掉电复位 低电压检测复位 看门狗复位 软件复位 LOCKUP 复位
比较器输出支持与定时器能形成联动,用于刹车或保护控制,使部分异常处理能够前移至硬件侧完成,从而减少对于软件轮询路径的依赖。硬件采样、硬件判断与硬件联动保护 的实现方式,有助于提高系统的异常响应效率与运行稳定性。
3.2 宽压输入与环境适应能力
LX32M70XX 支持 2.4V ~ 5.5V 工作电压范围,工作条件覆盖 -40℃ ~ 105℃。
该芯片同时配有:
HIRC LIRC LVD WDT TS
3.3 功耗表现
典型条件下:
72MHz、使能所有外设时,典型工作电流约 30mA 8MHz、使能所有外设时,典型工作电流约 9mA 停止模式下,典型电流约 100uA
LX32M70XX 在提供完整控制资源的同时,也兼顾了功耗控制需求,适合需要长期稳定运行的 BLDC 控制系统。
Part.4 通信与外围扩展能力
4.1 接口资源满足控制板扩展需求
LX32M70XX 提供:
2个 SCI 接口 支持 UART / SPI / 简易 I2C 1个标准 I2C 接口 标准 I2C 支持主从模式及高速通信 I2C 通信速率最高支持到 1Mbps 最大支持 25 个 GPIO
基于上述接口配置,芯片可较灵活地对接:
霍尔器件或位置检测模块 电源与驱动管理器件 上位控制板 调试接口与通信外设
4.2 封装形式兼顾布板与成本
芯片提供 TSSOP-28 与 SSOP-24 两种封装形式,可兼顾控制板面积优化、常见量产工艺适配及成本控制需求。
对于面向家电与工业控制的 BLDC 驱动板设计而言,该封装组合具有很好的工程实现基础。
Part.5 总结
LX32M70XX 集成 高级定时器、ADC、CMP、PGA、宽压输入及多重保护机制 ,能够完成性能、集成度、可靠性与成本之间的平衡开发方案。灵芯微专注于高性能、高品质泛硅基射频前端、智能 SoC 与硅光芯片研发。 以自主核心技术赋能手机通讯、物联网、光互联及智能终端市场,为客户提供稳健的微电子解决方案。
来源:灵芯微
免责声明:本文为转载文章,转载此文目的在于传递更多信息,版权归原作者所有。本文所用视频、图片、文字如涉及作品版权问题,请联系小编进行处理(联系邮箱:cathy@eetrend.com)。