一、方案及场景概述
燃气热水器是家庭洗浴场景中的关键设备,其通过高效燃烧燃气加热冷水,为用户持续提供温暖、稳定的生活热水。在这一过程中,强排风机作为整机的核心组成部分,发挥着至关重要的作用——它能够依据燃烧状态的实时变化,精准调节氧气供给,在充分提升燃烧效率的同时,有效减少废气残留,从而兼顾节能与环保。此外,强排风机将燃烧产生的废气强制排出室外,大幅降低一氧化碳积聚风险,从根本上增强了产品的安全属性,助力实现燃气热水器在高效、舒适与安全方面的综合体验。
华芯微特基于在电机控制领域的深厚技术积累,为强排式燃气热水器打造了高度集成、稳定可靠的专用MCU(SWM22D系列)控制方案。该方案不仅具备出色的处理性能与丰富的控制接口,还集成了针对上抽式与下鼓式风机优化的驱动算法,可灵活适配多种风机构型与整机系统需求。凭借其在响应速度、运行噪声与系统能效方面的综合优势,华芯微特为客户提供了性能卓越、易于开发的强排风机完整解决方案,助力家电产品在安全性与智能化层面持续升级。

强鼓-下置式风机

强抽-上置风机
适用范围
上抽式燃热强排风机
下鼓式燃热强排风机
燃热强排增压水泵
方案规格
1.灵活可配置的调速方式
支持PWM、VSP(模拟电压调速)、UART等多种调速接口
2.多种闭环控制策略
具备恒速度、恒功率、恒转矩及恒电流四种闭环控制模式
3.高集成化设计
集成 6N 预驱(耐压 600V/200V)及 5VLDO,爬电安全距离和电气间隙足以满足高压(310V)及 36V 项目的应用设计开发
4.可靠启动
在不同负载条件下均可实现快速、平稳启动,观测器结构稳定,确保系统在宽范围内持续可靠运行。
5.完善的故障保护机制
软硬件过流保护、缺相保护、堵转保护、过欠压保护、智能离水保护等
应用框图

①运行平稳,响应迅捷,能效出众

90 %运行(365HZ)
②性能稳健可靠

卡住启动波形,>30000次启动无失败
③闭环启动,迅捷响应

静止启动相电流波形,达到最高速度 < 1200ms
二、产品特性
华芯微特基于SWM22D系列芯片,为风机类应用提供高性能、高集成度的电机控制解决方案。
高性能处理内核:搭载ARM®Cortex®-M0内核,主频最高72MHz,内置除法器,±1%高精度RC时钟。
灵活通信接口:集成CAN、UART、SPI、I2C等丰富外设。
精准电机控制:配备 2 组共计8 通道 16 位 PWM 产生器输出,支持互补带死区模式,可实现风机平滑调速;内置OPA及500V耐压6N预驱;结合多点触发ADC(12Bit,采样速率1Msps),实时采集电流、电压参数,实现状态监测与闭环控制。
全面系统保护:内置可编程电压检测(PVD)、低电压复位(LVR)及看门狗定时器(WDT),增强系统在电压波动与异常状态下的可靠性。
低功耗运行:采用低功耗设计,在保持高性能的同时降低整机能耗,有助于提升产品能效与使用寿命。
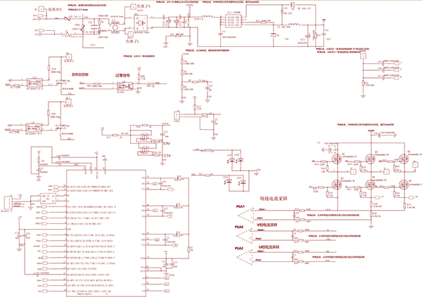
三、硬件参考资料及原理(高压)
原理图

PCB板图


强排开发模板:可以提供预置无感FOC算法,恒速度、恒功率、恒转矩及恒电流代码库;
开放生态支持:提供SDK与硬件参考设计,适配强排风机、水泵、和扇类等多场景。
来源:华芯微特
免责声明:本文为转载文章,转载此文目的在于传递更多信息,版权归原作者所有。本文所用视频、图片、文字如涉及作品版权问题,请联系小编进行处理(联系邮箱:cathy@eetrend.com)。