在智能设备不断追求长续航和更小体积的背景下,电池管理系统(BMS)的设计需在有限空间内实现高精度的能量管理和安全防护。
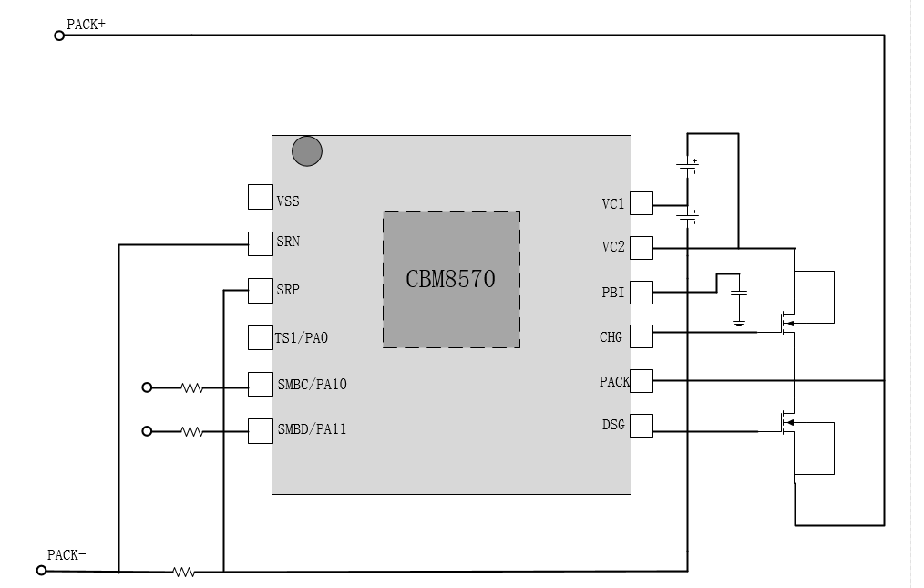
芯海科技(股票代码:688595) 推出的CBM8570电池管理芯片,针对1-2节锂离子电池应用中的典型痛点,从“精准、安全、易用”三大维度系统优化,通过全链路技术优化,为消费电子、医疗设备、工业物联网等各类便携设备场景提供专业级解决方案。
高精度动态校准 聚焦电量显示难题
传统电压法电量估算在负载突变时容易出现精度衰减,导致设备电量显示跳变,影响用户体验。CBM8570采用16位高精度ADC(采样误差≤±1%),结合动态阻抗补偿算法,可实时追踪电池内阻变化,显著提升不同负载下的SOC计算精度。例如智能手表从休眠态切换至运动监测时,仍可实现±3%以内的电量显示精度,有效缓解用户的“电量焦虑”。芯片支持0.5mΩ采样电阻,搭配±5mV电压检测误差(0-65℃)与0.3%电流精度(>1A),精准绘制电池放电曲线。
六重安全防护体系 构建毫秒级安全响应
CBM8570集过压、欠压、过流、短路、过温及自诊断六项保护功能,形成全域覆盖、快速响应的安全机制:可编程过压保护:阈值通过I²C接口灵活配置,响应时间≤100μs
双模过流检测:持续电流与脉冲电流监测精度达±5mV,支持20A级应用宽温域保护:-40℃至85℃工作范围,配合可编程过温保护点,适配极端环境芯片的待机功耗仅为0.5μA,运行模式为200μA,通过三级电源管理架构(运行/休眠/冬眠)显著优化能耗,实测待机损耗降低40%。其I²C通信接口速率达1000kHz,可顺畅对接国际国内市场主流MCU。
针对多节电池组应用,芯片集成高精度旁路均衡电路(精度±2%),对压差超过50mV的电芯实现能量主动调度。实测显示,在500次充放循环后,电池容量保持率仍超过85%,相比无均衡方案提升20%以上,适合户外电源、电动工具等高可靠性场景。
紧凑封装与系统兼容 降低开发门槛
对于智能穿戴等空间受限设备,CBM8570采用DFN12(4mm×2.5mm)超小型封装,支持单面PCB设计,直击设备小型化痛点;3.3V/1.8V/1.2V多电压兼容特性,可无缝对接国际国内主流MCU,免去电平转换电路,简化系统集成。

面对产线效率的需求,产品支持通过CSBus1000编程器实时修改关键参数(容量标定、保护阈值),将调试时间从4小时压缩至45分钟,适配多型号柔性生产需求;内置128K Flash存储支持灵活适配不同厂商电芯特性曲线,进一步简化生产适配流程。
开发端用户则受益于1000kHz I²C/SMBus接口的高带宽通信能力,可动态调整参数并快速验证,结合超小型封装与多电压兼容设计,全面降低工程开发门槛,满足敏捷开发与快速迭代需求。
芯海科技CBM8570始终围绕工程师的实际需求,以场景驱动技术革新。通过动态校准解决显示精度痛点,以六级保护构建安全冗余,凭借智能均衡延长电池寿命。这种从应用场景反推技术实现的产品思维,也使其成为物联网设备、便携医疗仪器等领域的理想选择。
来源:芯海科技
免责声明:本文为转载文章,转载此文目的在于传递更多信息,版权归原作者所有。本文所用视频、图片、文字如涉及作品版权问题,请联系小编进行处理(联系邮箱:cathy@eetrend.com)。