1. 问题
STM32CubeMX升级到了V6.13.0,与此同时STM32Cube_FW_H7也升级到了V1.12.0,在时钟获取数组的定义中出现了问题,造成的问题现象是串口输出内容乱码,经过和V6.12.1+STM32Cube_FW_H7_V1.11.2生成的代码对比,发现是时钟获取函数的数组出现的问题,修改之后即可正常。
2. 如何复现
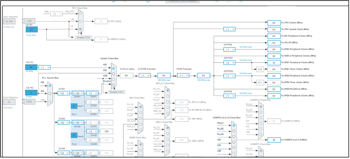
在ST官网上下载STM32CubeMX 6.13.0,选择器件型号为STM32H743ZIT6,使能USART3这个外设,选择使用STM32Cube_FW_H7_V1.12.0库来生成代码之后,串口打印出来的内容就是乱码。时钟配置如下图1所示。

▲ 图1. 默认时钟配置
2.1. 代码分析
首先,让我们看一下,不同的版本在生成代码中的主要区别,主要是D1CorePrescTable这个数组的内容有变化。

▲ 图2. 生成代码对比
由上图可见,数组D1CorePrescTable的【4:7】内容由原来的{1,2,3,4}变成了{0,0,0,0},那么这个数组是做什么用的,又为什么会对串口有影响呢?让我们来分析一下代码。
在串口初始化中有如下调用关系:MX_USART3_UART_Init()àHAL_UART_Init()àUART_SetConfig()àHAL_RCC_GetPCLK1Freq()

▲ 图3. 代码内容
由图3中的代码,我们可以看到,这里引用了D1CorePrescTable的内容,这里是如何引用的呢?其实是比较巧妙的。
我们首先看寄存器中是如何配置的。

▲ 图4. 寄存器描述
寄存器中的D2PPRE1[2:0]是配置D2域中APB1的分频系数,默认是0xx,表示不分频;100是1/2分频;101是1/4分频;以此类推。
在整个时钟树中的位置如图5所示。

▲ 图5. 寄存器在时钟树中位置
回到代码,我们单独截取其中一句话。

▲ 图6. 代码详细内容
其中的数值定义如图7所示。

▲ 图7. 代码定义内容
这个地方通过读取寄存器(RCC->D2CFGR中的D2PPRE1)的配置,就能得到APB1总线上的时钟分频参数,其先通过函数HAL_RCC_GetHCLKFreq()得到系统时钟的频率,再将其进行右移操作(右移1位代表除以2)。具体右移多少位就是通过查找D1CorePrescTable这个表来决定的。
比如,这里如果是1/2分频,那么RCC->D2CFGR & RCC_D2CFGR_D2PPRE1) >> RCC_D2CFGR_D2PPRE1_Pos得到的结果就是0b100,再和0x1FU进行“与操作”得到也是0b100,即十进制的4。通过正确的D1CorePrescTable表格,即可得到D1CorePrescTable【4】=1,(注意数组是从0开始的)那么就是系统时钟进行右移1位的操作,得到除以2的效果。
正确数组:const uint8_t D1CorePrescTable[16] = {0, 0, 0, 0, 1, 2, 3, 4, 1, 2, 3, 4, 6, 7, 8, 9};
错误数组:const uint8_t D1CorePrescTable[16] = {0, 0, 0, 0, 0, 0, 0, 0, 1, 2, 3, 4, 6, 7, 8, 9};
但是如果是错误的数组,查到的就是D1CorePrescTable【4】=0,这是不需要右移的,就是没有经过1/2分频,显然是不对正确的。这里还有个小问题:如果在APB1的时钟是没有经过分频的,那么RCC->D2CFGR&RCC_D2CFGR_D2PPRE1) >> RCC_D2CFGR_D2PPRE1_Pos得到的结果就总是小于4的(即0xx,具体参见图4),查表得到的结果就都是0,也是没有问题的。但是1/2,1/4,1/8,1/16这些分频系数都会出现计算错误,所以正确的方式就是手动修改这个参数即可解决问题。
3. 解决问题
手动修改system_stm32h7xx.c中的数组D1CorePrescTable中的【4:7】中数据即可。
正确:const uint8_t D1CorePrescTable[16] = {0, 0, 0, 0, 1, 2, 3, 4, 1, 2, 3, 4, 6, 7, 8, 9};
同时,提交bugzilla:197431(此号码为ST内部使用,外部用户无法访问)。
4. 小结
这个问题,主要是来自时钟计算所需要的表格出错,造成串口波特率计算出来的结果错误。本文简要分析了数组在查表的方式进行的对应运算关系,并对错误范围做出了解释,未来遇到类似的问题都可以使用此方式进行分析。
来源:STM32
免责声明:本文为转载文章,转载此文目的在于传递更多信息,版权归原作者所有。本文所用视频、图片、文字如涉及作品版权问题,请联系小编进行处理(联系邮箱:cathy@eetrend.com)。