1、无电解电容变频方案介绍
无电解电容变频控制方案是一种低成本的永磁同步电机(PMSM)控制技术。在硬件电路板中,采用低成本的 CBB 电容替代了传统的电解电容,不仅有效降低了方案成本,还显著延长了使用寿命。通过该技术,无需有源功率因数校正(PFC)即可降低单相交流电的谐波电流。
冰箱,作为无电解电容变频方案在大家电上最先落地的应用,因为其在寿命、成本和性能等方面展现出的优势而越来越受关注。相信随着这一技术的不断推广和应用,必将为冰箱行业带来新的变革,为消费者带来更加优质、高效、节能的冰箱产品。
英飞凌基于XMC1302控制器的无电解电容变频方案,改善了板级功率因数,减少了高次谐波;无电解电容和硬件FPC,降低了系统成本,延长了系统使用寿命。为客户快速开发产品提供了量产级的参考方案。
2、XMC1302 产品介绍
XMC1302是英飞凌专门为电机控制而设计的MCU,集成了专门针对电机应用优化的外设集,支持中端电机常见的各种控制方式,它具有适合无感FOC控制的相关外设和亮点:
(一) MATH协处理器
XMC1302中集成一个MATH协处理器,它完全独立于CPU,工作在PCLK(64MHz)时钟下。MATH协处理包含了一个32位的DIVIDER和一个24位的CORDIC。DIVIDER单元实现32bit有符号/无符号除法。CORDIC单元实现24bit三角函数运算。DIVIDER和CORDIC单元可并行工作,该模块减轻了CPU的负荷,对于实现无感FOC控制算法提供了良好的支持。

(二)带有片上可调增益的12位VADC
XMC1302的多功能模/数转换器 (VAD),包含一个按逐次逼近原理 (SAR) 工作的独立内核。其分辨率是从8位到12位可编程的。ADC每个通道的采样单元内置模拟放大,增益可调,可选1,3,6,12倍放大,可以省掉外部运放。XMC1302的ADC具有双采样保持单元,双通道可以同时采样。具体到实际应用中,就是两路电流可以同步采样,这对提高控制实时性能是极有好处的。ADC具有limit checking功能,当ADC转换结果落到指定区间内就会自动触发中断请求,而这个指定区间的门限是可以自由设定的。这就省掉了软件处理ADC转换结果并比较,提高了处理速度。
(三)可输出PWM进行三相逆变器控制的CCU8单元
XMC1302的Capture/Compare Unit8由4个16位的定时器组成,每个16位的定时器都有定时、比较和捕捉的功能,这4个通道是完全独立的,有各自的分频器,可以独立工作。每个通道可以产生2对互补PWM,并可插入死区时间以防止开关短路,每对PWM波形的上升沿死区时间和下降沿死区时间可以分别产生。还可输出非对称的互补PWM。定时器的运行可以由软件触发,或用内部信号触发,或由外部引脚触发。定时器的中断也可以触发ADC等其它外设。这些特性使它的应用非常灵活,能满足各种需求,尤其是电机控制的需求。
(四)模拟比较器ACMP
XMC1302内置三个高速模拟比较器(ACMP),用于比较两个模拟输入电压。ACMP的输出反应非常快,延迟时间在25ns。它的输入电压偏差也非常小,只有3mv左右。这些特性都使它非常适合数字电源和电机控制的应用,模拟比较器的内部滤波器可以进行2n-10ns的滤波。最终比较器的输出可以输出到CPU的NVIC产生中断,也可以输出到CCU8,当作它们的外部触发事件。
3、基于XMC1302控制器的无电解电容变频方案介绍
(一) 驱动板硬件
冰箱变频驱动板如下,方案使用的是英飞凌XMC1302控制器,可以看到无电解电容驱动板更符合小型化需求。

常规冰箱压缩机驱动板

无电解电容冰箱压缩机驱动板
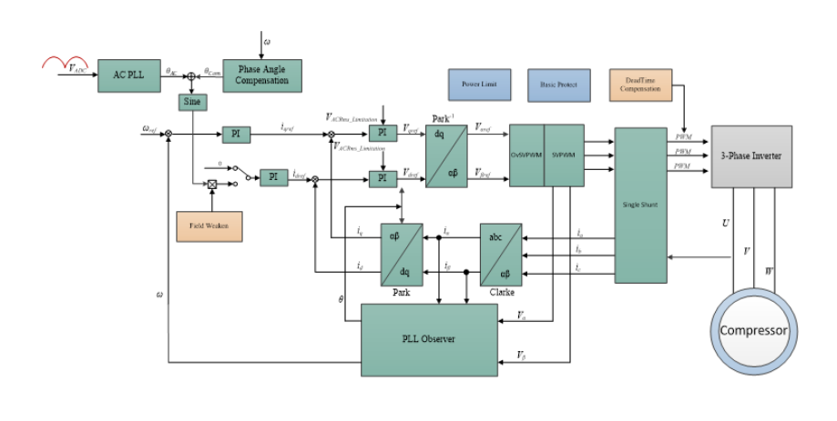
(二)系统框图

CBB电容容值范围2~20μF(根据逆变器功率调整)
弱电电路电源由另一独立电容提供
AC电压采样采用内部运放(Gain)实现
(三)无电解电容无感FOC控制

AC/DC电压每个PWM周期采样一次,相位角通过EPLL模式计算
d/q轴参考电流及电压基于最低直流安全电压限制
针对无感PLL观测器设计了大截止频率滤波器
(四)关键性能参数

注:表中数据基于VMH1113Y压缩机,仅供参考
(五)无电解电容控制性能展示-转速
转速稳定性:转速波动在4500r下低于14rpm,虽然比有电解方案略高一点,但是符合冰箱测试要求的<20rpm。

注:转速稳定性=最大转速-最小转速

(六)无电解电容控制性能展示-压缩机功耗

注:表中数据基于HVM65MK压缩机,仅供参考
小结:
当压缩机轻载运行时,无电解电容解决方案的能效高于电容解决方案
当压缩机重载运行时,电容解决方案的能效比无电解电容解决方案高约1~2%
(七)无电解电容控制性能展示-AC功率谐波测试

50w/pf=92%, AC220V

100w/pf=93%, AC220V

200w/pf=96.5%, AC220V
AC功率谐波测试数据
英飞凌基于XMC1302控制器的无电解电容变频方案,改善了板级功率因数,减少了高次谐波;无电解电容和硬件FPC,降低了系统成本,延长了系统使用寿命。
来源:英飞凌
免责声明:本文为转载文章,转载此文目的在于传递更多信息,版权归原作者所有。本文所用视频、图片、文字如涉及作品版权问题,请联系小编进行处理(联系邮箱:cathy@eetrend.com)。