在全球MCU市场竞争加剧、国产替代加速的背景下,嵌入式设备对核心控制芯片的性能、功耗、可靠性及性价比提出了前所未有的严苛需求。为适应市场竞争,2025年7月16日,武汉芯源半导体正式推出基于CW32L01x系列低功耗微控制器家族的全新成员:CW32L012系列产品。

CW32L012基于ARM® Cortex-M0+内核,主频高达96MHz,同时集成了CORDIC硬件单元、扩展算术运算单元(EAU),可以提供部分数学函数、算术运算的硬件加速,特别适用于电机控制、电源、计量、信号处理等应用。
同时,CW32L012 是基于 eFlash 的单芯片低功耗微控制器,集成了双12位ADC和双12位DAC,并配备有可灵活连接的双路轨到轨运算放大器,可以在单颗芯片上实现完整的混合信号数字处理。
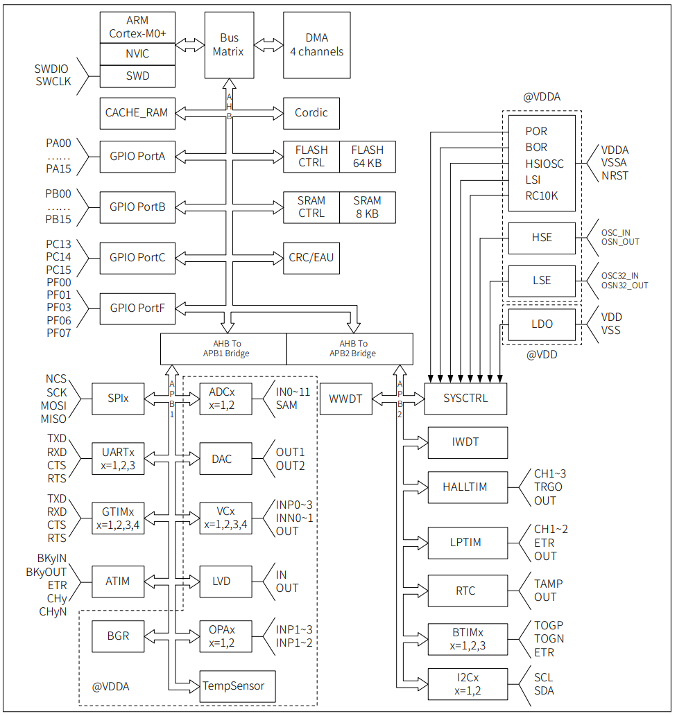
CW32L012 可以在 -40℃~+85℃ 的温度范围内工作,供电电压宽达1.7V~5.5V。支持 Sleep 和 DeepSleep 两种低功耗工作模式。内部框图如下图所示:

CW32L012提供两种不同的封装形式,基本配置如下表所示:

高性能内核,丰富外设,满足多样化需求
CW32L012 集成了主频高达96MHz 的 ARM® Cortex®-M0+ 内核,能提供更高效的运算能力,同时还集成了如下外设资源:
● 存储资源:64KB Flash + 8KB SRAM;
● 高性能模拟外设:双12位ADC、双12位DAC、双运算放大器(OPA Rail-to-Rail)、模拟比较器(VC)、电压检测(LVD)等;
● 丰富的定时器资源:1组16 位高级控制定时器、4 组 16 位通用定时器、3 组 16 位基本定时器、1 组 16 位低功耗定时器、1 组 24 位霍尔传感器专用定时器、窗口看门狗定时器、独立看门狗定时器,非常适合电机控制等复杂应用;
● 多样化通信接口:3 路低功耗 UART、3 路 SPI 接口、2 路 I2C 接口,方便连接各类外设模组;
● 硬件加速:4通道DMA、CRC硬件计算单元、坐标旋转数字计算算法(CORDIC)、扩展算术运算单元(EAU),提升数据处理效率,减小算力开销;
● 丰富GPIO:最多支持40个GPIO,扩展性强;
工业级可靠性,适应严苛环境
CW32L012 具备出色的抗干扰能力和宽温度、宽电压工作范围、低功耗操作模式:
● 工作温度:-40℃ ~ +85℃,工作电压:1.7V~5.5V;
● ESD防护高达±8KV(HBM),增强系统可靠性;
该特性使其成为工业传感器、智能表计、户外设备等场景的理想选择。
多样化封装,加速产品开发
为满足不同应用需求,CW32L012 提供多种封装选择:
● LQFP48、QFN48
客户可根据产品尺寸和引脚需求灵活选型,降低设计复杂度。
完善生态支持,助力快速量产
武汉芯源半导体提供完整的开发工具链支持,主要包括:
● 技术文档:数据手册、用户手册、元件库、封装库、应用笔记等技术文档;
● 固件库:提供MCU底层驱动源码和应用工程示例,帮助工程师快速入门;
● StartKit板:配套硬件评估板及开发板资料,方便应用代码评测;
CW32L012的推出,进一步丰富了武汉芯源半导体的低功耗MCU产品线,为消费电子、电动工具和工业控制等应用领域提供了更具竞争力的解决方案,从而加速客户新产品开发进程,抢占市场先机。
来源:武汉芯源半导体
免责声明:本文为转载文章,转载此文目的在于传递更多信息,版权归原作者所有。本文所用视频、图片、文字如涉及作品版权问题,请联系小编进行处理(联系邮箱:cathy@eetrend.com)。