一、三个基本定则
1.左手定则
位于磁场中的载流导体,会受到力的作用,力的方向可按左手定则确定,如4-19图所示:伸开左手,使大拇指和其余四指垂直,把手心面向N极,四指顺着电流的方向,那么大拇指所指方向就是载流导体在磁场中的受力方向。
力的大小为: F =BIL
其中:B为磁感应强度(单位:T),I为电流大小(单位:A), L为导体有效长度(单位:m),F为力的大小(单位 N)。
如果磁感应强度B的方向和电流I的方向不互相垂直,而是成一定夹角q,则力的大小为:F =BILsinq。

图1 左手定则
考虑到一个线圈往往有两个有效边AD和CD,如图2(a)所示。在磁场中它们的受力方向正好相反,如图2(b)所示。它们所产生的转矩TD是以旋转轴O为中心,方向为顺时针,其大小可由下式决定:
TD=2rF=2rBIL
式中,TD是转矩(单位: N×m); r是从中心到各导体的距离(单位: m)。

(a) 线圈 (b) 线圈受力
图2 处于磁场中线圈的受力情况
同样,如果磁感应强度B和电流方向不互相垂直,而是成一定夹角q,则有
TD=2rBILsinq
如图3示出了某两极直流电动机的横断面,并假设在对称轴O-O¢的右侧导体中,电流是以同一方向流动(如流入纸面),均在N极下;左侧导体中电流均为流出纸面,且均在S极下。若此时电动机气隙中的磁感应强度保持均匀分布,其大小为B值,方向与导体相垂直,则导体上所受到的总转矩为:
TD=rBILZD
式中,ZD是导体总数;I是流过每个导体的电流(A),如果所有导体串联,即为电动机输入端电流;r是电动机气隙半径(m);L是导体的有效长度(m)。

图3 磁力线和转子内的电流分布
对于某一特定的电动机而言,其导体总数、每根导体的有效长度以及电动机的半径均已确定,且磁感应强度B取决于永久磁铁的磁性材料及磁路结构,对某一台具体的电动机而言,也是一个常数,即乘积(rBLZD)为一常数,现将其定义为该电动机的转矩常数KT(N×m/A),即:
KT=rBLZD
因此,TD=KTI。
2.右手定则
有刷与无刷直流电动机中的导体因做切割磁力线运动会在其中感应出电动势E,其大小为:E=vBL。
其中:v为导体的运动速度(单位:m/s),B为磁感应强度(单位:T),L为导体的有效长度(单位:m)。
同样,如果磁感应强度B和L不互相垂直,而是成一定夹角q,则有E=vBL sinq。
电动势E的方向按右手定则判断,如图4所示。即伸开右手,使大拇指和其余四指垂直放在一个平面上,把手心面向N极,大拇指对着导体运动方向,那么四指所指的方向就是该导体在磁场中所产生的电动势方向。若电动机以角速度w (rad/s)旋转,则速度v为:v=wr。其中r是导体所在位置至旋转中心的距离(m)。

图4 右手定则
在作为电动机运行时,端电压必定大于电枢绕组的感应电动势。若按电动机惯例,以输入电流作为电枢电流正方向,则感应电动势与电流正方向相反,故称E为反电动势。于是有E=wrBL。
若导体总数为ZD,而它们互相串联,则总反电动势为E=wrBLZD。
同样,对某一台具体的电动机而言,乘积(rBLZD)为一常数,令反电动势常数KE= rBLZD,则有E=KEw。
由此可见,如果采用统一的单位制,则在数值上KT=KE,但它们代表了不同的物理概念,其量纲也不同。它们分别反映了电动机内部机电能量相互转化过程中的数量关系。KT反映了电能转换为机械能的能力强弱,而KE则反映机械能转换为电能的能力强弱。在同一台电动机里面,上述两种过程都是蕴含在同一台电动机中,在电动机处于电动状态,表现为电能向机械能转换起主导作用,电动机在制动时,处于发电状态,表现为机械能向电能转换起主导作用。
由上述分析可见,直流电动机在完成机电能量的相互转换过程中,都是基于电磁相互作用原理,这一点对所有类型电动机而言都是相同的。
3.右手螺旋定则
用右手握住通电螺线管,使四指弯曲与电流方向一致,那么大拇指所指的那一端就是通电螺旋管的N极。如图5 所示。
线圈的缠绕方向一致时,通电螺线管的磁场方向与电流方向有关。如图6所示。

图5 右手螺旋定则

图6 通电螺旋管的磁场方向
二、 换相原理
无刷直流电机主要由用永磁材料制造的转子、带有线圈绕组的定子和位置传感器(可有可无)组成。
在图7 中,当两头的线圈通上电流时,根据右手螺旋定则,会产生方向指向右的外加磁感应强度B(如粗箭头方向所示),而中间的转子会尽量使自己内部的磁力线方向与外磁力线方向保持一致,以形成一个最短闭合磁力线回路,这样内转子就会按顺时针方向旋转了。

图7 换向原理图示1
磁场与外部磁场方向一致时,转子所受磁力最大,但此时转子呈水平状态,转子力臂为0。虽然不再受到转动力矩的作用,但由于惯性原因,还会继续顺时针转动,这时若改变两头螺线管的电流方向,转子就会继续顺时针向前转动,见图8所示。

图8 换向原理图示2
如此不断改变两头螺线管的电流方向,内转子就会不停转起来了。改变电流方向的这一动作,就叫做换相(commutation)。换相时刻只与转子的位置有关,与转速无关。
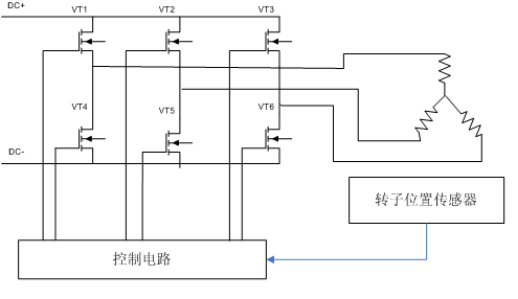
三、工作原理
无刷直流电机要转动,需先要根据转子位置传感器的输出信号确定转子位置,然后通过电子换相线路去驱动电机本体使电枢绕组依次馈电,从而在定子上产生旋转的磁场,驱动永磁转子转动。无刷直流电机(BLDCM)工作原理框图如图9所示。

图9 BLDCM工作原理框图
一般BLDCM的具体控制框图如图10所示,定子三相绕组是相差120°对称分布的,图10中三相绕组是星型连接的;其中六个功率管的开关由控制电路根据转子位置来决定。

图10 BLDCM控制框图
因此,通过控制电路控制VT1~VT6六个开关管的开关顺序,来完成对电机线圈的通电顺序,以实现电机的换相操作,从而实现电机的运转。
如图11显示绕组星型连接的具体接线图,整个电机就引出三根线A, B, C。当它们之间两通电时,有6种情况,分别是AB, AC, BC, BA, CA, CB,图12 (a)~(f)分别描述了这6种情况下每个通电线圈产生的磁感应强度的方向(短箭头表示)和两个线圈的合成磁感应强度方向(长箭头表示)。

图11 绕组星型连接
在图12 (a)中,AB相通电,中间的转子(图中未画出)会尽量往长箭头方向对齐,当转子到达图12 (a)中长箭头位置时,外线圈换相,改成AC相通电,这时转子会继续运动,并尽量往图12 (b)中的长箭头处对齐,当转子到达图12(b)中箭头位置时,外线圈再次换相,改成BC相通电,再往后以此类推。当外线圈完成6次换相后,内转子正好旋转一周(即360°)。
图12讲的只是原理,实际操作的时候不会让转子转到与定子磁场方向对齐,而是定子主磁场方向一直超前转子磁场一定的角度,这样才会使转矩较大,一般利用hall检测位置的话是会60°换相(磁场跳跃60°)一次,换相后定子主磁场方向超前转子磁场120°,由于转子受到定子磁场的作用,转子会向定子磁场对齐的方向旋转,从与定子主磁场方向120°转动60°到两者夹角为60°,这样可以使产生最大的转矩的垂直位置正好处于本次通电的中间时刻,然后定子主磁场再次向前跳跃60°,这样转子又会慢慢跟上来,如此往复就可实现BLDCM的连续转动。图13 说明的是换相前和换相后的定子和转子磁场位置。

图12 星型连接两两通电的6种情况

图13 换相前后的情况
注意:机械角度是指电机转子的旋转角度,可由Θm表示;电角度是指磁场的旋转角度,可由Θe表示。当转子为一对极时,机械角度Θm=Θe;当转子为n对极时,Θe=nΘm。
相关阅读:CW32电机控制基础--无刷直流电机概述
来源:CW32生态社区
免责声明:本文为转载文章,转载此文目的在于传递更多信息,版权归原作者所有。本文所用视频、图片、文字如涉及作品版权问题,请联系小编进行处理(联系邮箱:cathy@eetrend.com)。