
三极管有静态和动态两种工作状态。未加信号时三极管的直流工作状态称为静态,此时各极电流称为静态电流,给三极管加入交流信号之后的工作电流称为动态工作电流,这时三极管是交流工作状态,即动态。
一个完整的三极管电路分析有四步:直流电路分析、交流电路分析、元器件和修理识图。
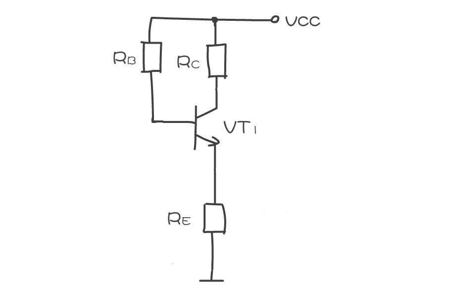
一、直流电路分析方法
直流工作电压加到三极管各个电极上主要通过两条直流电路:一是三极管集电极与发射极之间的直流电路,二是基极直流电路。
通过这一步分析可以搞清楚直流工作电压是如何加到集电极、基极和发射极上的。如图所示,是放大器直流电路分析示意图。对于一个单级放大器而言,其直流电路分析主要是图中所示的三个部分。

分析三极管直流电路时,由于电路中的电容具有隔直流特性,所以可以将它们看成开路,这样上图所示电路就可以画成如下图所示的直流等效电路,再用这一等效电路进行直流电路分析就相当简洁了。

二、交流电路分析方法
交流电路分析主要是交流信号的传输路线分析,即信号从哪里输入到放大器中,信号在这级放大器中具体经过了哪些元器件,信号最终从哪里输出。如图所示,是交流信号传输路线分析示意图。

另外还要分析信号在传输过程中受到了哪些处理,如信号在哪个环节放大,在哪个环节受到衰减,哪个环节不放大也不衰减,信号是否受到了补偿等。
上图电路中的信号经过了C1、VT1、C2、VT2和C3,其中C1、C2和C3是耦合电容,对信号没有放大和衰减作用,只是起着将信号传输到下级电路中的耦合作用,VT1和VT2对信号起了放大作用。
三、元器件作用分析方法
1、元器件特性是电路分析关键
分析电路中元器件的作用时,应依据该元器件的主要特性来进行。例如,耦合电容让交流信号无损耗的通过,而同时隔断直流通路,这一分析的理论根据是电容隔直通交特性。
2、元器件在电路中具体作用
电路中的每个元器件都有它的特定作用,通常一个元器件起一种特定的作用,当然也有一个元器件在电路中起两个作用的。在电路分析中要求搞懂每一个元器件在电路中的具体作用。
3、元器件简化分析方法
对元器件作用的分析可以进行简化,掌握了元器件在电路中的作用后,不必每次对各个元器件都进行详细分析。例如,掌握耦合电容的作用之后,不必对每一个耦合电容都进行分析。如图所示,是耦合电容分析示意图。

四、修理识图方法
修理识图为检修电路故障服务,这一识图要求在完全搞懂电路工作原理之后进行,否则没有意义。因为故障现象明确,因此故障检修过程中的修理识图可以有针对性的选择电路中的元器件进行,而不需要对电路中的每个元器件都进行故障分析。
分析时,找出电路中的主要元器件,并分别假设它们出现开路、短路、阻值变大和变小等故障,分析这种故障对直流电路和交流电路的影响,从而推理出可能的故障根源。
修理识图的关键是找出电路中关键测试点:
1、单级放大器关键测试点
如图所示,单级放大器主要是三极管的关键测试点。

三极管的关键测试点用来测量三个电极的直流工作电压,其中集电极是第一测试点,其次是基极,第三是发射极。
2、集成电路关键测试点
集成电路关键测试点最重要的是电源引脚,还有输入信号引脚和输出信号引脚。
五、三极管基极偏置电路分析方法
三极管基极偏置电路分析最为困难,掌握一些电路分析方法可以方便基极偏置电路的分析。
1、电路分析的第一步是在电路中找出三极管的电路符号,如图所示,然后在三极管电路符号中后找出基极,这是分析基极偏置电路的关键一步。
2、第二步从基极出发,将与基极和电源端相连的所有元器件找出来,如图所示,电路中的RB1,再将基极与地端相连的所有元器件找出来,如电路中的RB2,这些元器件构成基极偏置电路的主体电路。

上述与基极相连的元器件中,要区别哪些元器件可能是偏置电路中的元器件。电阻器有可能构成偏置电路,电容器具有隔直作用而视为开路,所以在分析基极直流偏置电路时,不必考虑电容器。
3、第三步确定偏置电路中的元器件后,进行基极电流回路的分析,如图所示。基极电流回路是:直流工作电压VCC→偏置电阻RB1→VT1基极→VT1发射极→VT1发射极电阻RE→地端
来源:电子工程专辑